Изолятор ЛК 70 110 и изолятор ЛК 120 110

К сравнению
В избранное
Единица измерения:шт.
В наличии
Договорная
Есть вопросы? Звоните!
+7 (343) 311-71-17
или
Быстрая доставка по РФ
до объекта своим транспортом (от 1 тонны, 110 куб.метров.)
Грузоперевозки авто, жд-транспортом
Цена от производителя
скидки и отсрочка платежа для постоянных клиентов.
Консультация менеджера
8 (800) 250-00-78 (Бесплатно по РФ)
E-Mail: info@uik-rus.ru
Быстрый онлайн-заказ
если не нашли нужный товар в каталоге.
Описание
Характеристики
Отзывы

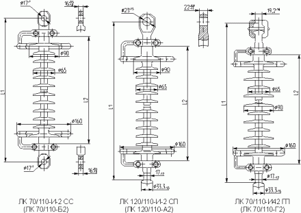
Линейные подвесные стержневые цельнолитые полимерные (кремнийорганические) изоляторы типа ЛК 70/110-И и ЛК 120/110-И производства ЗАО «ИНСТА» по ГОСТ 28856 предназначены для крепления и изоляции неизолированных и защищенных проводов ВЛ переменного тока напряжением 110 кВ частотой до 100 Гц при температуре окружающего воздуха от -60 до +500С.

В обозначении изолятора последовательно указаны:

  • тип;
  • разрушающая нагрузка;
  • класс напряжения;
  • модификация;
  • степень загрязнения;
  • сочетание типов оконцевателей.

Техническая характеристика изоляторов ЛК 120 110 и ЛК 70 110

Показатели

Класс изолятора, кН/кВ

Строительная высота L1, мм, не более

Изоляционная высота L2, мм, не менее

Длина пути утечки, мм, не менее

Испытательное напряжение, кВ

грозового импульса

50 Гц в сухом состоянии

50 Гц под дождем

ЛК 70/110-И-2 СП(СС)

70/110

1175

1055

2610

550

320

300

ЛК 70/110-И-4 СП(СС)

3045

ЛК 70/110-И-2 ГП(ГС)

1240

2610

ЛК 70/110-И-4 ГП(ГС)

3045

ЛК 120/110-И-2 СП(СС)

120/110

1205

2610

ЛК 120/110-И-4 СП(СС)

3045

ЛК 120/110-И-2 ГП(ГС)

1240

2610

ЛК 120/110-И-4 ГП(ГС)

3045

Характеристики: 

Показатели

Разрядное напряжение 50 Гц в загрязненном и увлажненном состоянии, кВ, не менее

Нормированная ПУЭ удельная поверхностная проводимость слоя загрязнения, мкСм

Допустимая степень загрязнения (СЗ) по ПУЭ

Масса, кг, не более

ЛК 70/110-И-2 СП(СС)

110

10

2

3,0

ЛК 70/110-И-4 СП(СС)

30

4

ЛК 70/110-И-2 ГП(ГС)

10

2

3,5

ЛК 70/110-И-4 ГП(ГС)

30

4

ЛК 120/110-И-2 СП(СС)

10

2

3,0

ЛК 120/110-И-4 СП(СС)

30

4

ЛК 120/110-И-2 ГП(ГС)

10

2

3,5

ЛК 120/110-И-4 ГП(ГС)

30

4

Характеристики
Единица измерения
Отзывов ещё нет — ваш может стать первым.
Все отзывы 0
общий рейтинг
Почему выгодно работать с нами
1. Мы оказываем полный комплекс логистических услуг по России?
- Доставка автомобильным, ЖД-транспортом, баржами по России до объекта, возможность транзитных и точечных поставок;
- Быстрая доставка по РФ до объекта своими фурами Renault Premium 420 dci от 20 тонн, 110 куб.метров (ХМАО, ЯНАО, Республика Коми, Тюменская область)
- Возможность перевозки негабаритных грузов длинной до 16,7 метров;
- Возможность доставки в труднодоступные регионы, города и поселки;
- Имеем прямые договора с ЖД-тупиками (ст. Сывдарма, ст. Коротчаево, ст. Ево-Яха, ст. Пангоды, ст. Ямбург, ст. Лабытнанги)
- Имеем соглашения с переправами через р. Надым, р.Пур (объекты в г. Надым, в зимнее время г.Салехард)

2. Мы профессионалы, имеющие большой опыт в строительстве
Принимали участие в обеспечении  строительства крупных проектов в нефте-газовой отрасли и других промышленных объектов.

3. Мы работаем по ценам производителя, предоставляем скидки и отсрочку платежа для постоянных клиентов.
В нашем каталоге представлен широкий спектр оборудования и материалов, если Вы не нашли нужный товар в каталоге, либо требуется консультация свяжитесь с нами по указанным ниже контактам:


8 (800) 250-00-78 (Звонок бесплатный по России)
Либо воспользуйтесь быстрым заказом